HD3051電容式壓力變送器
HD3051電容式壓力差壓變送器廣泛應用于石油、化工、鋼鐵、電力、輕工、環保等工業領域,實現對各種壓力、流量、液位等工業過程的測量,能適用于各種惡劣危險環境及腐蝕性介質。
HD3051電容式壓力差壓變送器廣泛應用于石油、化工、鋼鐵、電力、輕工、環保等工業領域,實現對各種壓力、流量、液位等工業過程的測量,能適用于各種惡劣危險環境及腐蝕性介質。
【產品介紹】:
我司生產HD3051系列產品,包括模擬型、智能型兩種。HD3351智能型差壓/壓力變送器是我公司依靠先進技術和工藝,利用自身強大的技術和進口設備優勢,推出高精度、高性能、高穩定性的智能型產品。該產品采用世界上最成熟的電容傳感器制造技術,通過專用的微處理器數字電路及通訊模塊,將被測介質的壓力信號轉換成4~20mADC模擬信號,同時利用在4~20mA傳輸線上迭加一個數字信號進行通訊(采用HART協議)、查詢和自診斷。通過三按鍵表頭組態、功能鍵組態、PC機和手操器可以在現場或控制室對該變送器進行遠程控制或重新組態。
【系列用途】:
CNG/LNG加氣站、撬裝設備
工業過程壓力、差壓測量與控制
流量調節與控制系統
液位測量與控制系統
供暖與供水系統
煙塵治理及污水處理
爐膛及風道壓力控制
【產品特點】:
◆全系列統一結構設計、互換性強;
◆通過顯示表按鍵實現現場組態,不需要手操器或PC機;
◆量程遷移比大;
◆實現PV清零;
◆具有自診斷能力;
◆寬視角、背光液晶顯示;
◆高精度、高穩定性、高可靠性;
◆HART協議數字通訊技術;
◆隔爆產品符合GB3836.1和GB3836.2要求規定
【應用概述】:
HD3051差壓變送器廣泛應用于石油、化工、鋼鐵、電力、輕工、環保等工業領域,實現對各種壓力、流量、液位等工業過程的測量,能適用于各種惡劣危險環境及腐蝕性介質。
【產品參數】:
產品類型:電容式壓力變送器
測量介質:與316、304不銹鋼兼容的各種液體、氣體
量程范圍:0~40Mpa內任意量程
精度等級:智能型:±0.1% F.S. 模擬型:±0.25% F.S. 、±0.5% F.S.
輸出信號:4~20mADC(二線制)(智能型:輸出信號可選擇線性或平方根輸出,與HART協議兼容的數字信號)
防爆等級:ExdIIBT5
防護等級:IP65
供電電源:12~45VDC,標準24VDC
穩 定 性:最大量程的±0.25% F.S./年(量程>1.6kpa)
最大量程的±1% F.S./年(量程≤1.6kpa)
阻尼時間:智能型:0~32秒
模擬型:時間常數在0.2~1.67秒之間連續可調
補償溫度:智能型:-20~70℃
模擬型:-10~70℃
工作溫度:智能型:-30~85℃
模擬型:-20~85℃
指 示 表:智能型:智能數顯表
模擬型:0~100%線性指示(模擬表);3-1/2LCD數字顯示(數顯表)
【產品規格選型】:
(略)
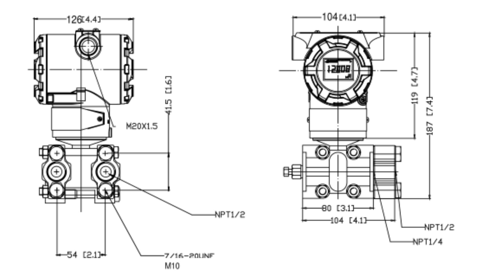
【產品尺寸圖】:

聯系電話
微信掃一掃
