HDS202磁致伸縮式靜力水準儀
HDS202磁致伸縮式靜力水準儀是基于連通器原理,通過測量若干個相互聯通的安裝于被測量點儲液罐液面高度與測量基點(不動點)液罐液面高度的相對變化,反推出各個儲液罐安裝位置相對位置沉降變化量的一種精密儀器。
HDS202磁致伸縮式靜力水準儀是基于連通器原理,通過測量若干個相互聯通的安裝于被測量點儲液罐液面高度與測量基點(不動點)液罐液面高度的相對變化,反推出各個儲液罐安裝位置相對位置沉降變化量的一種精密儀器。
產品概述
HDS202磁致伸縮式靜力水準儀采用HDM-F高精度磁致伸縮液位傳感器為檢測元件,是一種高精密液位測量系統,測量高差及其變化的精密儀器。主要適用于測量多點的相對沉降。在使用中,多個靜力水準儀的容器用通液管連接,每一容器的液位由磁致伸縮式液位傳感器檢測測出,傳感器的浮子位置隨液位的變化而同步變化,由此可測出各測點的液位變化量。
本款靜力水準儀主要用于大型儲罐、大壩、核電站、高層建筑、基坑、隧道、橋梁、地鐵等垂直位移和傾斜的監測。靜力水準系統一般安裝在被測物體等高的測墩上或被測物體墻壁等高線上,通常采用一體化模塊化自動測量單元采集數據,通過有線或無線通訊與計算機連接,從而實現自動化監測。
應用領域
l軌道交通路基沉降監測
l地鐵支撐墻沉降監測
l隧道上部山體及建筑物
l高速公路路基、邊坡沉降檢測
l橋墩、基坑沉降檢測
l核電站、大型水電站
l大壩及水利樞紐、高層建筑的基礎
l各種結構垂直位移、形變檢測
組成結構
磁致伸縮式靜力水準儀是由一個高精度的磁致伸縮液位計,加上儲液罐、液位浮子、保護罩、調平支架、聯通氣管水管等部件組成。
關鍵技術
地基沉降是一個緩慢過程,在任何較短時期,反映到儲液罐液面的變化都會非常細微,能否實時、精確地檢測到這個微小變化,反映出地基的微小沉降,做到防微杜漸,是衡量一個靜力水準儀產品好壞的關鍵,這對系統所集成液位傳感器的實時性、精密性提出了極高要求。由于是戶外安裝,液位傳感器的溫度系數、防水性、防雷擊都是關鍵技術。另外,靜力水準儀整機的安裝尺寸和易更換性也是重要的技術指標。
技術指標
測量范圍: 0-100mm~300mm(可定制更大量程)
模擬輸出: 電流:4~20mA(小/大負載:0/500Ω)、電壓:0~10V(小負載>5k Ohm),分辨率為16位D/A
通訊輸出: RS485(Modbus-RTU,傳輸速率9600bps-19200/4800bps可選,分辨率為0.01mm-可自行選擇小數位數)
測量精度: <±0.1mm
非線性度: <滿量程的±0.05%(小±50μm)
重復精度: <滿量程的±0.002%F.S.(小±1μm)
更新頻率: 一般10Hz,可定制
線 方 式: IP68防水接頭
輸入電壓: 24VDC(±15%)
工作電流: <50mA(隨量程變化)
絕緣能力: 500V(信號地與外殼間)
環境溫度: - 40℃~+85℃
溫度/露點: 濕度90%,不能結露
溫度系數: <30ppm/℃
防護等級: IP67
結構材料: 不銹鋼(傳感器)、亞克力(儲液罐)
安裝方向: 豎直,安裝斜度不大于5度
安裝方式: 螺栓安裝,M8X1-3

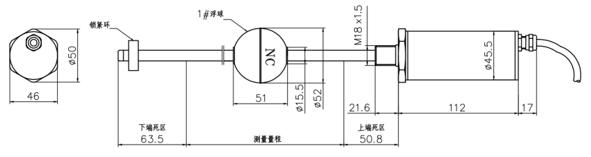
尺寸圖:單位mm
靜力水準儀尺寸圖

靜力水準儀液位計尺寸圖
聯系電話
微信掃一掃
